Zestaw filtracyjny AZUR z pompą PREVA
rozmiar:
Towar tymczasowo niedostępny
powiadom mnie o dostawie
Przy zamówieniach powyżej 200 zł
Przy zamówieniu do godziny 12 i wpłacie elektronicznej
Sklep, który bierze udział w Programie „Słucham Swoich Klientów”, uważnie czyta każdą zamieszczoną w serwisie opinię na swój temat. Recenzje klientów stanowią główny wyznacznik w strategii rozwoju takiego sklepu oraz w kierunku poprawy jakości obsługi.
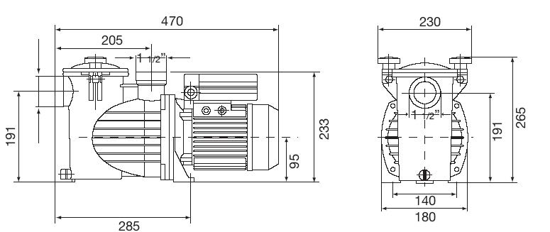
Opis produktu
Filtr piaskowy Pentair AZUR, zamontowany jest na bazowej płycie. Zbiornik został zrobiony z polipropylenu, posiada 6-drożny zawór z manometrem i wziernikiem. W zestawie znajduje się również samozasysająca pompa PREVA lub Bettar Top. Średnica rur łączonych to 50 mm.Cechy Pompy PREVA:
-elektryczna pompa samozasysająca z dużym prefiltrem
-każdy egzemplarz jest testowany (posiada swój "akt urodzenia" z mierzonymi danymi technicznymi załączonymi na ostatniej stronie instrukcji);
-obudowa pompy i dyfuzora zostały wykonane z polipropylenu z włóknem szklanym co gwarantuje długą żywotność;
-przezroczysty poliwęglan daje możliwość łatwej kontroli zawartości prefiltra
-unikalny system uszczelniający pokrywę w kształcie stożka;
-uszczelnienie mechaniczne węglowo-ceramiczne i wirnik wykonany z AISI 316L na mosiężnym trzpieniu
-wał pompy nie jest w kontakcie z wodą tłoczoną
-łożyska silnika smarowane tak, aby zapewnić długotrwałą i cichą pracę;
-niska temperatura pracy silnika;
-dwa typy silnika: 0,5 KM dla modeli 25, 33 i 50 oraz 1 KM dla modeli 70 i 100;
Specyfikacja Pomp Preva:
| model | silnik | przyłącza | wejście p1(kW) | wyjście p2 (kW) | napięcie | m3/h | waga |
| Preva 25 | IE2 | 50/50 | 0,29 | 0,18 | 230 | 4 | 7,9 |
| Preva 33 | IE2 | 50/50 | 0,38 | 0,25 | 230 | 5,5 | 7,9 |
| Preva 50 | IE2 | 50/50 | 0,57 | 0,37 | 230 | 7 | 8,4 |
| Preva 75 | IE2 | 50/50 | 0,8 | 0,55 | 230 | 10 | 8,9 |
Przepływ m3/h/podnoszenie
| 4m | 6m | 8m | 10m | 12m | 14m | | |
| Preva 33 | 12 | 10 | 8 | 5,5 | 2 | - | |
| Preva 50 | 14 | 12 | 10 | 7 | 5 | - | |
| Preva 75 | 16 | 15 | 12,5 | 10 | 8 | 4,2 | |









